If you have a problem or need to report a bug please email : support@dsprobotics.com
There are 3 sections to this support area:
DOWNLOADS: access to product manuals, support files and drivers
HELP & INFORMATION: tutorials and example files for learning or finding pre-made modules for your projects
USER FORUMS: meet with other users and exchange ideas, you can also get help and assistance here
NEW REGISTRATIONS - please contact us if you wish to register on the forum
Users are reminded of the forum rules they sign up to which prohibits any activity that violates any laws including posting material covered by copyright
DTMF generate
4 posts
• Page 1 of 1
DTMF generate
I apologize that by cyrillic, my English is very bad.
(Translate please, if who can.)
See schematic.
---------------------------
УПРАВЛЕНИЕ УСТРОЙСТВАМИ ЧЕРЕЗ ЗВУКОВУЮ ПОДСИСТЕМУ
Звуковая карточка компьютера - это довольно неплохой АЦП, и FlowStone дает средства работы с нею. Но современные компьютеры имеют все меньше и меньше портов ввода-вывода, особенно ноуты.
Отсюда появляется мысль использовать для связи с внешними устройствами выход звуковой карты, которая присутствует (пока) кажется на всех современных компьютерах без исключения.
Оптимально использовать для этой цели двухтональный протокол DTMF, поскольку он является помехозащищенным и не грозит ложным срабатыванием, если Винда вдруг выдаст какие-нибудь звонки или клики, сопровождающие появление сообщений и окон других программ.
Ниже приложен пример программы FlowStone для работы с кодами DTMF.
Модуль передает 4-х битный код входных данных, генерируя очередную двухтональную посылку по появлению стартового импульса на триггерном входе Start.
На время передачи выход Busy устанавливается в True.
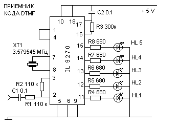
Приемником сигнала DTMF является микросхема IL9270 (аналог КР1008ВЖ18) или MV8870, MT8870. Схема включения приведена ниже. Светодиоды красные, любого типа.
Правильно собранное устройсто, из исправных компонент, начинает работать сразу, дополнительной наладки не требует.
Использование других микросхем (не IL9270) может иметь нюансы типа дополнительных конденсаторов для кварца. Сверьтесь с даташитом.
При запуске с данной программой, вход схемы подключается к левому каналу выхода звуковой карты компьютера (вместо колонок или наушников). Регуляторы грокости звуковой подсистемы компьютера установить в среднее положение, Системный эквалайзер (если он есть) - отключить.
При нажатии кнопок в программе, будет гореть и соответствующий светодиод схемы.
Светодиод HL5 загорается только на время посылки. Этот сигнал с контакта 15 микросхемы можно использовать как тактовый.
Работа схемы и программы была проверена на ноуте Acer Aspire 3690.
(Translate please, if who can.)
See schematic.
---------------------------
УПРАВЛЕНИЕ УСТРОЙСТВАМИ ЧЕРЕЗ ЗВУКОВУЮ ПОДСИСТЕМУ
Звуковая карточка компьютера - это довольно неплохой АЦП, и FlowStone дает средства работы с нею. Но современные компьютеры имеют все меньше и меньше портов ввода-вывода, особенно ноуты.
Отсюда появляется мысль использовать для связи с внешними устройствами выход звуковой карты, которая присутствует (пока) кажется на всех современных компьютерах без исключения.
Оптимально использовать для этой цели двухтональный протокол DTMF, поскольку он является помехозащищенным и не грозит ложным срабатыванием, если Винда вдруг выдаст какие-нибудь звонки или клики, сопровождающие появление сообщений и окон других программ.
Ниже приложен пример программы FlowStone для работы с кодами DTMF.
Модуль передает 4-х битный код входных данных, генерируя очередную двухтональную посылку по появлению стартового импульса на триггерном входе Start.
На время передачи выход Busy устанавливается в True.
Приемником сигнала DTMF является микросхема IL9270 (аналог КР1008ВЖ18) или MV8870, MT8870. Схема включения приведена ниже. Светодиоды красные, любого типа.
Правильно собранное устройсто, из исправных компонент, начинает работать сразу, дополнительной наладки не требует.
Использование других микросхем (не IL9270) может иметь нюансы типа дополнительных конденсаторов для кварца. Сверьтесь с даташитом.
При запуске с данной программой, вход схемы подключается к левому каналу выхода звуковой карты компьютера (вместо колонок или наушников). Регуляторы грокости звуковой подсистемы компьютера установить в среднее положение, Системный эквалайзер (если он есть) - отключить.
При нажатии кнопок в программе, будет гореть и соответствующий светодиод схемы.
Светодиод HL5 загорается только на время посылки. Этот сигнал с контакта 15 микросхемы можно использовать как тактовый.
Работа схемы и программы была проверена на ноуте Acer Aspire 3690.
- Attachments
-
DTMF.fsm- (23.74 KiB) Downloaded 1835 times
-
- DTMF receiver
- DTMF_receiver.gif (3.91 KiB) Viewed 24045 times
- Shoo
- Posts: 33
- Joined: Fri Sep 02, 2011 8:37 am
- Location: Russia
Re: DTMF generate
Nice project 
Here is the short translation:
>>
Here is a DTMF (Dual Tone Multi Frequency) tone generator as you find in a telephone.
<<
Sorry just had to add a keypad:
Here is the short translation:
>>
Here is a DTMF (Dual Tone Multi Frequency) tone generator as you find in a telephone.
<<
Sorry just had to add a keypad:
- Attachments
-
DTMF2.fsm- Missing 13 fixed
- (140.25 KiB) Downloaded 1825 times
Last edited by Cat5 on Mon Dec 05, 2011 6:55 pm, edited 1 time in total.
- Cat5
- Posts: 14
- Joined: Tue Mar 08, 2011 12:52 pm
Re: DTMF generate
Yes, this code is telephone.
But me this was necessary to send commands of handle.
The right channel will spin the stepper motor (driver SLA7051), but DTMF the commands of handle will be send: "forward/back", "on/off" etc.
So me did not required the keypad. The codes of commands, form by the program.
Cat5, in your version has error: low-band selector has a superfluous input (13). Your module will not work correctly since the code 13.
My module I have checked up in interaction with the present chip. All worked without errors.
(Sorry, this text is machine translation.)
But me this was necessary to send commands of handle.
The right channel will spin the stepper motor (driver SLA7051), but DTMF the commands of handle will be send: "forward/back", "on/off" etc.
So me did not required the keypad. The codes of commands, form by the program.
Cat5, in your version has error: low-band selector has a superfluous input (13). Your module will not work correctly since the code 13.
My module I have checked up in interaction with the present chip. All worked without errors.
(Sorry, this text is machine translation.)
- Shoo
- Posts: 33
- Joined: Fri Sep 02, 2011 8:37 am
- Location: Russia
Re: DTMF generate
oops yes I had moved the 13 wire by accident, just fixed it in the original post.
The keypad only does 0-9 so it didn't show.
Thanks
The keypad only does 0-9 so it didn't show.
Thanks
- Cat5
- Posts: 14
- Joined: Tue Mar 08, 2011 12:52 pm
4 posts
• Page 1 of 1
Who is online
Users browsing this forum: No registered users and 11 guests